
您是买方,并且
1.您希望直接在您的营业地点或目的地国的其他地点收货,且不愿意承担任何运输风险,请一定选择“到货”合同。
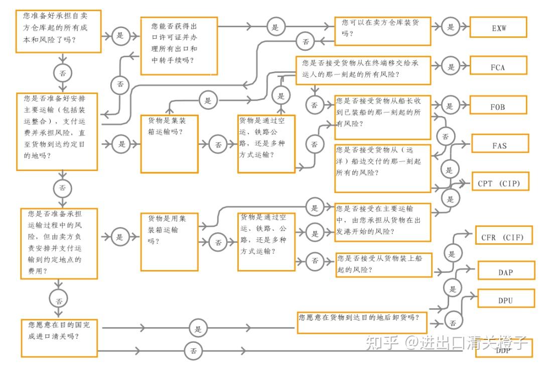
您是否愿意办理进口清关手续?
a)如果不愿意
- 选择 DDP,如果货物是集装箱运输或多式联运,或者交付将在内陆或者港口终端,卖方将承担直到在买方场所或指定地点交货的全部责任。但注意:在实操中,该规则可能会妨碍卖方办理进口清关手续,因此请谨慎选择此规则。。
如果愿意,您可选用
i) DAP,该术语将全部运输责任和风险分派给卖方,但进口清关手续和关税由买方承担。注意:DAP与DPU的不同之处在于,DAP不要求卖方在目的地卸货;或者
ii) DPU,该术语将全部运输责任和风险分派给卖方,但进口清关手续和关税由买方承担。注意,DPU要求卖家在目的地卸货。
如果以上不适用,继续
2.您希望的购买价格包含货物国际运输成本,且接受承担此类运输的风险;卖方承担出口清关费用,您承担进口清关费用;卖方承担主要(国际)运输费用;货物交付在卖方所在国完成,则请选择“C”组规则。a) 如果运输方式是集装箱运输或多式联运,或者在内陆或码头终端完成交付:i) 如果您不希望卖方承担保险费用,选择 CPT;ii)如果您希望卖方承担含一切险(LMA/IUA条款A或类似条款)的保险费用,选择CIP。b) 如果货物是吊运装船的传统商品,或者您希望在货物装船后划分风险:i) 如果您不希望卖方承担保险费用,选择 CFR;ii)如果您希望卖方承担保险费用,选择 CIF。注意:卖方在 CIF下的保险义务仅限于最低险种(LMA/IUA 条款 C 或类似条款)。
如果以上不适用,继续
3.您接受安排并直接支付国际运输费用,同时承担此类运输的风险;主要(国际)运输的成本和风险由买方承担;货物的交付发生在卖方所在的国家;则请选择“F”或者“free”组规则。
a)如果您希望只负责进口清关,而不负责出口清关:
i)如果货物要通过集装箱运输或多式联运运输,或者在内陆或码头终端交付,在卖方场所或运输终端交付给买方聘请的第一承运人(出口清关由卖方负责),选择FCA。
ii)如果货物在船边交付,选择 FAS(出口清关由卖方负责)
iii)如果货物是直接装船的普通货物或大宗商品,或出于任何其他原因,您希望在货物装船后划分风险与成本,选择 FOB(任何出口清关手续都由卖方承担)。
b)如果有,您愿意同时负责进出口清关手续:
如果货物在卖方场所交付,此后的所有成本和风险(未办理出口清关)均由卖方转移给买方,选择EXW。注意:EXW主要适用于国内贸易。

你学会了吗?
国际物流运输是最容易出问题的环节,有货出运一定要提前做好出货计划。
分享最新国际空海运物流情况及海关新规,以便让客户了解最新国际物流环境,驿传一直在努力!
深圳(珠三角)出货,欢迎交流~
